Ваш город:
Сургут
Ваш город Сургут?
Да Выбрать другой
Заказать звонок
Фильтр

Червячный мотор-редуктор МЧ2-100/160

Описание

Описание товара временно отсутствует

Характеристики

  • нагрузка постоянная/переменная (в рамках номинального крутящего момента)
  • вращение вала выполняется в любую сторону
  • климатические варианты исполнения: У3 и Т2 согласно нормативам ГОСТ 15150-69 в условиях работы на высоте над уровнем моря < 1000 м., допускается работа устройств на высоте > 1000 м. над уровнем моря при соблюдении ГОСТ 183-74
  • характеристики внешней среды: неагрессивная и невзрывоопасная, содержание непроводящей пыли < 10мг/м3
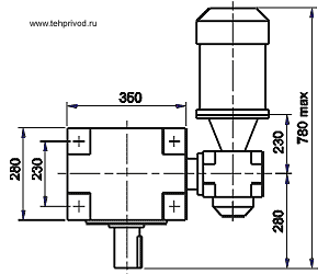
Габаритные и присоединительные размеры мотор-редукторов МЧ2-160 Габаритные и присоединительные размеры мотор-редукторов МЧ2-160

РИС.1
Габаритные и присоединительные размеры мотор-редукторов МЧ2-160

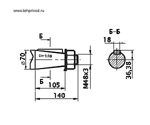
Исполнения выходного вала мотор-редукторов МЧ2-160 Исполнения выходного вала мотор-редукторов МЧ2-160

РИС.2
Исполнения выходного вала мотор-редукторов МЧ2-160

Схемы сборки мотор-редукторов МЧ2-160

РИС.3
Схемы сборки мотор-редукторов МЧ2-160

Вариант сборки червячных пар мотор-редукторов МЧ2-160

РИС.4
Вариант сборки червячных пар мотор-редукторов МЧ2-160

Технические характеристики мотор-редукторов МЧ2-160

ПАРАМЕТРПЕРЕДАТОЧНОЕ ЧИСЛО ОБЩЕЕ
1001251602002504006301000160025004000
Номинальный крутящий момент на выходном валу, Н.м при ПВ>63% 1440 1970 1670 1710 1750 1985 2090 2210 2315 2055 1350
при ПВ<63% 1800 2465 2090 2140 2190 2480 2610 2760 2895 2570 1690
при ПВ=40% 1800 2465 2090 2140 2190 2480 2610 2760 2895 2570 1690
при ПВ=25% 2160 2525 2508 2570 2630 2980 3130 3310 3470 3085 2030
при ПВ=16% 2160 2525 3170 3210 3285 3720 3600 3750 4180 3855 2535
КПД, %s
при ПВ>63%
77 74 73 68 65 60 55 50 35 30 22
Термическая мощность, кВт
при ПВ>63%
3,15 3,15 3,15 3,47 2,90 2,90 2,05 1,24 1,09 0,92 0,92
Тип электродвигателя серии АИР 100L4 100L4 100L4 100L4 100S4 90L4 80B4 80A4 80A4 71B4 71A4
Мощность эл./дв, [кВт] 4,0 4,0 4,0 4,0 3,0 2.2 1.5 1,1 1,1 0,75 0,55
Номинальная частота вращения выходного вала, об/мин 14,0 11,2 8,8 7,0 5,6 3,5 2,2 1,4 0,88 0,56 0,35

Схема монтажа мотор редуктора NMRV

Характеристики

Похожие товары
Червячный мотор-редуктор 2МРЧ-63/125

Мотор редуктор 2МРЧ-63/125 (далее мотор-редукторы) эксплуатируется в качестве привода общемашиностроительного применения. Данный тип приводного оборудования используется в условиях питания от сети переменного тока (частота 50Гц/ 60Гц, напряжение - 220В/380В), по согласованию с заказчиком возможен широкий диапазон других стандартных напряжений. От той или иной модификации мотор-редуктора зависит показатель номинального передаточного числа, межосевое расстояние, процент КПД и другие аспекты, подробнее о которых Вы можете узнать, связавшись с нашими консультантами. В целях охлаждения на конце входного вала располагается вентилятор, защищенный кожухом, крепящимся к корпусу посредством двух болтов.

ПРИМЕР УСЛОВНОГО ОБОЗНАЧЕНИЯ В ЗАКАЗЕ:

Мотор-редуктор 2МРЧ-63/125-6-12-21-Ц-У2, что означает:

2МРЧ – мотор-редуктор червячный двухступенчатый
63/125 – межосевое расстояние, мм
6 – номинальная частота вращения выходного вала, об/мин
12 – вариант сборки
Ц – исполнение с цилиндрическим выходным валом
У – климатическое исполнение

2 – категория размещения

по запросу
Подробнее
Червячный мотор-редуктор 2МРЧ-63/160

Мотор редуктор 2МРЧ-63/160 (далее мотор-редукторы) эксплуатируется в качестве привода общемашиностроительного применения. Данный тип приводного оборудования используется в условиях питания от сети переменного тока (частота 50Гц/ 60Гц, напряжение - 220В/380В), по согласованию с заказчиком возможен широкий диапазон других стандартных напряжений. От той или иной модификации мотор-редуктора зависит показатель номинального передаточного числа, межосевое расстояние, процент КПД и другие аспекты, подробнее о которых Вы можете узнать, связавшись с нашими консультантами. В целях охлаждения на конце входного вала располагается вентилятор, защищенный кожухом, крепящимся к корпусу посредством двух болтов.

ПРИМЕР УСЛОВНОГО ОБОЗНАЧЕНИЯ В ЗАКАЗЕ:

Мотор-редуктор 2МРЧ-63/160-6-12-21-Ц-У2, что означает:

2МРЧ – мотор-редуктор червячный двухступенчатый
63/160 – межосевое расстояние, мм
6 – номинальная частота вращения выходного вала, об/мин
12 – вариант сборки
Ц – исполнение с цилиндрическим выходным валом
У – климатическое исполнение

2 – категория размещения

по запросу
Подробнее
Червячный мотор-редуктор МЧ2-80/125

Мотор редуктор МЧ2-80/125 (далее мотор-редукторы) эксплуатируется в качестве привода общемашиностроительного применения. Данный тип приводного оборудования используется в условиях питания от сети переменного тока (частота 50Гц/ 60Гц, напряжение - 220В/380В), по согласованию с заказчиком возможен широкий диапазон других стандартных напряжений. От той или иной модификации мотор-редуктора зависит показатель номинального передаточного числа, межосевое расстояние, процент КПД и другие аспекты, подробнее о которых Вы можете узнать, связавшись с нашими консультантами. В целях охлаждения на конце входного вала располагается вентилятор, защищенный кожухом, крепящимся к корпусу посредством двух болтов.

ПРИМЕР УСЛОВНОГО ОБОЗНАЧЕНИЯ В ЗАКАЗЕ:

Мотор-редуктор МЧ2-80/125-6-12-21-Ц-У2, что означает:

МЧ2 – мотор-редуктор червячный двухступенчатый
80/125 – межосевое расстояние, мм
6 – номинальная частота вращения выходного вала, об/мин
12 – вариант сборки
Ц – исполнение с цилиндрическим выходным валом
У – климатическое исполнение

2 – категория размещения

по запросу
Подробнее
Червячный мотор-редуктор МЧ2-80/160

Мотор редуктор МЧ2-80/160 (далее мотор-редукторы) эксплуатируется в качестве привода общемашиностроительного применения. Данный тип приводного оборудования используется в условиях питания от сети переменного тока (частота 50Гц/ 60Гц, напряжение - 220В/380В), по согласованию с заказчиком возможен широкий диапазон других стандартных напряжений. От той или иной модификации мотор-редуктора зависит показатель номинального передаточного числа, межосевое расстояние, процент КПД и другие аспекты, подробнее о которых Вы можете узнать, связавшись с нашими консультантами. В целях охлаждения на конце входного вала располагается вентилятор, защищенный кожухом, крепящимся к корпусу посредством двух болтов.

ПРИМЕР УСЛОВНОГО ОБОЗНАЧЕНИЯ В ЗАКАЗЕ:

Мотор-редуктор МЧ2-80/160-6-12-21-Ц-У2, что означает:

МЧ2 – мотор-редуктор червячный двухступенчатый
80/160 – межосевое расстояние, мм
6 – номинальная частота вращения выходного вала, об/мин
12 – вариант сборки
Ц – исполнение с цилиндрическим выходным валом
У – климатическое исполнение

2 – категория размещения

по запросу
Подробнее
Назад
Выбор города