Ваш город:
Сургут
Ваш город Сургут?
Да Выбрать другой
Заказать звонок
Фильтр

Планетарно-червячные редукторы ПЧ2-63/100, ПЧ2-63/125, ПЧ2-80/125, ПЧ2-80/160

Описание

iN n1 n2 ПЧ2-63/100 ПЧ2-63/125 ПЧ2-80/125 ПЧ2-80/160
Р1 Т2 η Р1 Т2 η Р1 Т2 η Р1 Т2 η
мин-1 кВт Н.м кВт Н.м кВт Н.м кВт Н.м
250 (4х8х8) 1500 6 0,8 817 0,63 1,2 1235 0,64 1,5 1551 0,65 2,7 2943 0,66
1000 4 0,6 839 0,62 0,8 1275 0,63 1 1572 0,64 1,9 2997 0,65
750 3 0,4 849 0,61 0,7 1315 0,62 0,8 1583 0,63 1,5 3023 0,64
315 (5х8х8) 1500 4,76 0,7 829 0,61 1 1342 0,63 1,2 1563 0,64 2,3 2973 0,65
1000 3,17 0,5 847 0,6 0,8 1508 0,62 0,8 1580 0,63 1,5 3017 0,64
750 2,38 0,4 855 0,59 0,6 1545 0,6 0,6 1588 0,61 1,2 3037 0,63
400 (6,3х8х8) 1500 3,75 0,6 840 0,6 0,9 1524 0,61 1 1573 0,62 1,8 3000 0,64
1000 2,5 0,4 853 0,59 0,7 1531 0,6 0,7 1587 0,61 1,3 3033 0,63
750 1,88 0,3 860 0,58 0,6 1560 0,59 0,5 1593 0,6 1 3050 0,61
500 (4х8х16) 1500 3 0,5 909 0,59 0,9 1751 0,6 0,9 1751 0,61 1,6 3277 0,63
1000 2 0,3 919 0,58 0,6 1772 0,59 0,6 1772 0,6 1,1 3330 0,62
750 1,5 0,3 925 0,57 0,5 1783 0,58 0,5 1783 0,59 0,8 3357 0,61
630 (5х8х16) 1500 2,38 0,4 915 0,58 0,73 1763 0,59 0,7 1763 0,6 1,3 3307 0,62
1000 1,59 0,3 923 0,57 0,5 1780 0,58 0,5 1780 0,59 0,9 3350 0,61
750 1,19 0,2 927 0,56 0,4 1788 0,57 0,4 1788 0,58 0,7 3370 0,6
800 (6,3х8х16) 1500 1,88 0,3 920 0,57 0,6 1773 0,58 0,6 1773 0,59 1,1 3333 0,6
1000 1,25 0,2 927 0,56 0,4 1787 0,57 0,4 1787 0,58 0,7 3367 0,59
750 0,94 0,2 930 0,55 0,3 1793 0,56 0,3 1793 0,57 0,6 3383 0,58
1000 (8х8х16) 1500 1,5 0,3 925 0,55 0,5 1783 0,56 0,5 1783 0,57 0,9 3357 0,59
1000 1 0,2 929 0,54 0,3 1792 0,55 0,3 1792 0,56 0,6 3380 0,58
750 0,75 0,1 932 0,53 0,3 1797 0,54 0,3 1797 0,55 0,5 3393 0,56
1250 (5х16х16) 1500 1,2 0,2 927 0,54 0,4 1788 0,55 0,4 1788 0,56 0,7 3370 0,58
1000 0,8 0,1 931 0,53 0,3 1796 0,54 0,3 1796 0,55 0,5 3390 0,57
750 0,6 0,1 934 0,52 0,2 1801 0,53 0,2 1801 0,54 0,4 3403 0,56
1600 (6,3х16х16) 1500 0,94 0,2 930 0,52 0,3 1793 0,53 0,3 1793 0,55 0,6 3383 0,57
1000 0,63 0,1 933 0,51 0,2 1800 0,52 0,2 1800 0,54 0,4 3400 0,56
750 0,47 0,1 935 0,5 0,2 1804 0,51 0,2 1804 0,53 0,3 3410 0,55
2000 (4х16х31,5) 1500 0,75 0,2 991 0,51 0,3 1957 0,52 0,3 1957 0,54 0,5 3565 0,56
1000 0,5 0,1 996 0,5 0,2 1980 0,51 0,2 1980 0,53 0,3 3584 0,55
750 0,38 0,1 999 0,49 0,2 1993 0,5 0,2 1993 0,51 0,3 3595 0,53
2500 (5х16х31,5) 1500 0,6 0,1 994 0,5 0,2 1970 0,51 0,2 1970 0,52 0,4 3576 0,54
1000 0,4 0,1 998 0,49 0,2 1990 0,5 0,2 1990 0,51 0,3 3592 0,53
750 0,3 0,1 1001 0,48 0,1 2003 0,49 0,1 2003 0,5 0,2 3603 0,51
3150 (6,3х16х31,5) 1500 0,48 0,1 997 0,48 0,2 1983 0,49 0,2 1983 0,51 0,3 3587 0,52
1000 0,32 0,1 1000 0,47 0,1 2000 0,48 0,1 2000 0,49 0,2 3600 0,5
750 0,24 0,1 1002 0,46 0,1 2010 0,47 0,1 2010 0,48 0,2 3608 0,48
4000 (8х16х31,5) 1500 0,38 0,1 999 0,47 0,2 1993 0,48 0,2 1993 0,49 0,3 3595 0,49
1000 0,25 0,1 1001 0,46 0,1 2007 0,47 0,1 2007 0,47 0,2 3605 0,48
750 0,19 0,04 1003 0,45 0,1 2013 0,46 0,1 2013 0,46 0,2 3611 0,47
5000 (5х31,5х31,5) 1500 0,3 0,1 1000 0,45 0,1 2000 0,46 0,1 2000 0,46 0,2 3600 0,47
1000 0,2 0,1 1003 0,42 0,1 2013 0,45 0,1 2013 0,45 0,2 3611 0,46
750 0,15 0,04 1003 0,41 0,1 2017 0,43 0,1 2017 0,43 0,1 3613 0,45
6300 (6,3х31,5х31,5) 1500 0,24 0,1 1001 0,4 0,1 2007 0,42 0,1 2007 0,43 0,2 3605 0,44
1000 0,16 0,04 1003 0,38 0,1 2017 0,41 0,1 2017 0,41 0,1 3613 0,42
750 0,12 0,04 1004 0,36 0,1 2020 0,39 0,1 2020 0,4 0,1 3616 0,41
8000 (8х31,5х31,5) 1500 0,19 0,1 1003 0,39 0,1 2013 0,41 0,1 2013 0,41 0,2 3611 0,42
1000 0,13 0,03 1004 0,38 0,1 2020 0,39 0,1 2020 0,4 0,1 3616 0,41
750 0,09 0,03 1005 0,37 0,1 2023 0,38 0,1 2023 0,39 0,1 3619 0,39
10000 (8х40х31,5) 1500 0,15 0,04 1003 0,37 0,1 2017 0,39 0,1 2017 0,4 0,1 3613 0,4
1000 0,1 0,03 1005 0,36 0,1 2023 0,38 0,1 2023 0,39 0,1 3619 0,39
750 0,08 0,02 1005 0,35 0,04 2027 0,37 0,1 2027 0,38 0,1 3621 0,38
12500 (8х50х31,5) 1500 0,12 0,04 1004 0,35 0,1 2020 0,37 0,1 2020 0,38 0,1 3616 0,38
1000 0,08 0,02 1005 0,34 0,1 2023 0,35 0,1 2023 0,36 0,1 3619 0,37
750 0,06 0,02 1005 0,33 0,04 2023 0,34 0,05 2023 0,35 0,1 3621 0,36
16000 (4x8х16х31,5) 1500 0,094 0,03 1005 0,34 0,1 2024 0,36 0,1 2024 0,37 0,1 3619 0,37
1000 0,063 0,02 1005 0,33 0,04 2027 0,35 0,05 2027 0,35 0,1 3518 0,36
750 0,047 0,02 1006 0,32 0,03 2028 0,34 0,03 2028 0,34 0,1 3543 0,35
20000 (5x8х16х31,5) 1500 0,075 0,02 1005 0,33 0,1 2026 0,35 0,1 2026 0,36 0,1 3497 0,36
1000 0,05 0,02 1006 0,32 0,03 2028 0,34 0,03 2028 0,34 0,1 3538 0,35
750 0,038 0,01 1006 0,31 0,02 2029 0,33 0,02 2029 0,33 0,04 3558 0,34
25000 (6,3x8х16х31,5) 1500 0,06 0,02 1005 0,32 0,04 2027 0,34 0,04 2027 0,35 0,1 3522 0,35
1000 0,04 0,01 1006 0,31 0,03 2029 0,33 0,03 2029 0,34 0,04 3555 0,34
750 0,03 0,01 1006 0,3 0,02 2030 0,32 0,02 2030 0,32 0,03 3571 0,33
31500 (8x8х16х31,5) 1500 0,048 0,02 1006 0,31 0,03 2028 0,33 0,03 2028 0,34 0,1 3543 0,34
1000 0,032 0,01 1006 0,3 0,02 2030 0,32 0,02 2030 0,32 0,04 3568 0,33
750 0,024 0,01 1006 0,29 0,02 2031 0,31 0,02 2031 0,31 0,03 3581 0,32
40000 (5x8х31,5х31,5) 1500 0,038 0,01 1006 0,3 0,03 2029 0,32 0,03 2029 0,33 0,04 3557 0,33
1000 0,025 0,01 1006 0,29 0,02 2031 0,31 0,02 2031 0,31 0,03 3578 0,32
750 0,019 0,01 1006 0,28 0,01 2031 0,3 0,01 2100 0,3 0,02 3588 0,31
63500 (8x8х31,5х31,5) 1500 0,024 0,01 1006 0,29 0,02 2031 0,31 0,02 2050 0,32 0,03 3581 0,32
1000 0,016 0,01 1006 0,28 0,01 2032 0,3 0,01 2090 0,31 0,02 3594 0,31
750 0,012 0,01 1006 0,27 0,01 2032 0,29 0,01 2150 0,3 0,02 3626 0,3

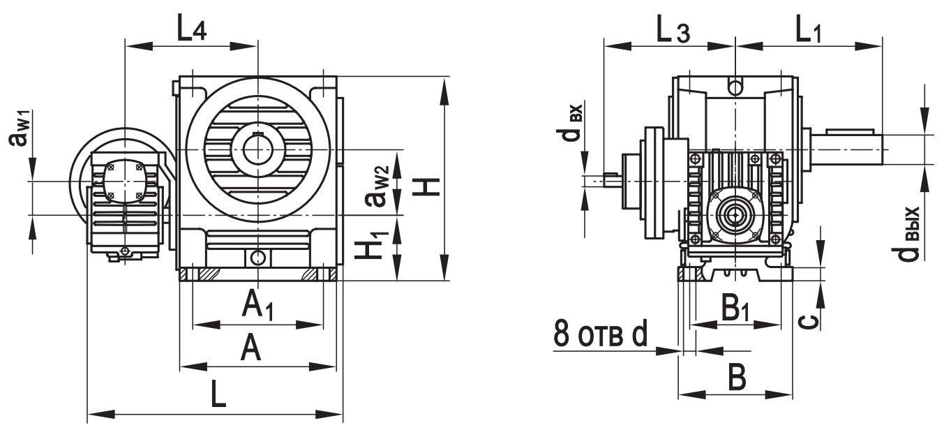
Габаритные размеры редуктора на лапах

Типоразмер аW1 аW2 А А1 В В1 L* L1* L2max L3* L4 Н Н1 с d dвх dвых
ПЧ2­-63/100 63 100 240 200 175 140 420 225 673
730
242
269
221 312 100 18 19 22 45
ПЧ2­-63/125 63 125 275 230 230 190 455 230 726
779
242
296
235 396 111 22 19 22 55
ПЧ2­-80/125 80 125 275 230 230 190 515 230 740
790
292
358
310 396 111 22 19 25 55
ПЧ2­-80/160 80 160 350 300 280 230 590 280 750
817
292
358
345 500 140 30 22 25 70

* Размеры приведены без учёта длины резьбового конца вала исполнения К2.

 

Габаритные размеры редуктора на фланце

Типоразмер аW1 аW2 D D1 D2 H L* L1* L2max L3* L7 L8* c1 с2 d1 dвх dвых n
ПЧ2Ф­-63/100 63 100 260 190 225 312 420 225 673
730
242
296
150 265 12 5 12 22 45 6
ПЧ2Ф­-63/125 63 125 300 230 270 396 455 230 726
779
242
296
170 285 16 5 15 22 55 6
ПЧ2Ф-80/125 80 125 300 230 270 396 515 230 740
790
292
358
170 285 16 5 15 25 55 6
ПЧ2Ф­-80/160 80 160 360 280 325 500 590 280 750
817
292
358
200 345 20 5 19 25 70 6

* Размеры приведены без учёта длины резьбового конца вала исполнения К2. 

Назад
Выбор города