Ваш город:
Сургут
Ваш город Сургут?
Да Выбрать другой
Заказать звонок
Фильтр

Редуктор Ч-320

Описание

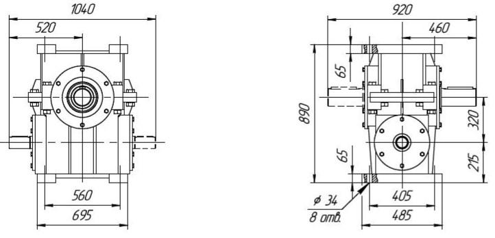
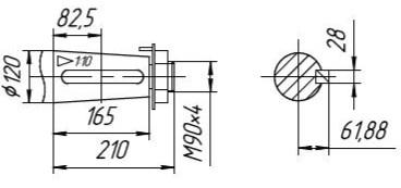
Габаритные размеры

С опорным фланцем

Входной вал «Квн»

Входной вал «Кнар»

Выходной «Квн»

Выходной вал «Кнар»

Входной вал «Ц»

Выходной вал «Ц»

 

Назад
Выбор города