Ваш город:
Сургут
Ваш город Сургут?
Да Выбрать другой
Заказать звонок
Фильтр

Редуктор 1Ц2У-400Н

Описание

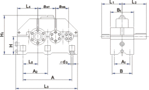
Габаритные и присоединительные размеры:

Типоразмер а аwT A A1 A2 B H H1 H2 L1 L2 L3 L4 L5
1Ц2У-400Н 250 400 950 330 475 420 425 835 42 380 500 1320 450 280

 

Типоразмер b1 b2 d1 d2 d3 h1 h2 l1 l2 t1 t2 Объем заливаемого масла, л Масса, кг
1Ц2У-400Н 18 36 60k6 140 35 11 20 140 250 53 128 60 940

 

Варианты сборки редукторов типа Ц2У:

 

Пример условного обозначения при заказе:

Редуктор 1Ц2У 315Н-25-12 Ц У2, где:

1Ц2У– цилиндрический двухступенчатый редуктор;
315– межосевое расстояние тихоходной ступени, мм;
25– номинальное передаточное число;
12– вариант сборки;
Ц– цилиндрический конец тихоходного вала;
У– климатическое исполнение;
2– категория размещения.

Назад
Выбор города