Ваш город:
Сургут
Ваш город Сургут?
Да Выбрать другой
Заказать звонок
Фильтр

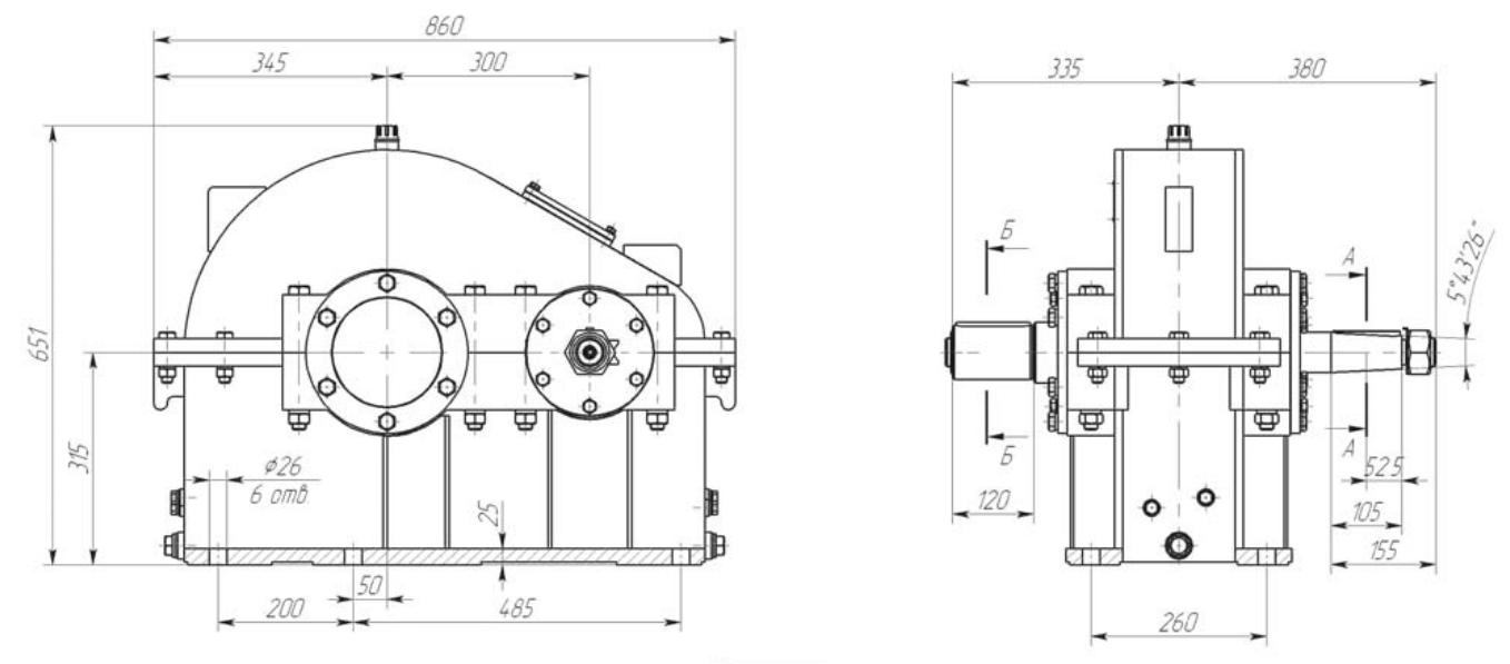
Редуктор цилиндрический ЦО-300

Описание

Номинальные передаточные отношения, i Номинальная частота вращения быстроходного вала, об/м Номинальный крутящий момент на тихоходном валу при повторно-кратковременном режиме (ПВ 40%), Нм  Масса, кг 
2,5; 3,15; 4,0; 4,5; 5,0 1500 1267 454

Валы

Варианты сборки

Назад
Выбор города