Ваш город:
Сургут
Ваш город Сургут?
Да Выбрать другой
Заказать звонок
Фильтр

Цилиндрические редукторы Ц2У-315КМ (КМВ), Ц2У-400КМ (КМВ)

Описание

Типоразмер редуктора

Ц2У-315КМ

Номинальное передаточное отношение

8

10

12,5

16

20

25

31,5

40

50

Номинальный крутящий момент на тихоходном валу Т, Нxм

Режим работы

Легкий (ПВ 15%)

9100

9200

9300

9600

9000

9300

9700

8600

8900

Средний (ПВ 25%)

8900

9100

9200

8600

7600

Тяжелый (ПВ 40%)

8600

8800

8500

8600

8400

7600

Номинальная частота вращения быстроходного вала, с-1 (об/мин)

25 (1500)

Номинальная радиальная консольная нагрузка, приложенная в середине посадочной поверхности выходного конца вала, Н быстроходного

4000

2000

тихоходного цилиндрический конец

31500

конец вала в виде части зубчатой полумуфты

40000

Масса, кг

460

Ориентировочный объем масла, л. 30
Типоразмер редуктора

Ц2У-400КМ

Номинальное передаточное отношение

8

10

12,5

16

20

25

31,5

40

50

Номинальный крутящий момент на тихоходном валу Т, Нxм

Режим работы

Легкий (ПВ 15%)

17500

18300

17700

17500

17200

17800

17900

15900

17000

Средний (ПВ 25%)

17700

17500

16400

14600

Тяжелый (ПВ 40%)

17000

17500

16800

16300

Номинальная частота вращения быстроходного вала, с-1 (об/мин)

16, (6) (1000)

25 (1500)

Номинальная радиальная консольная нагрузка, приложенная в середине посадочной поверхности выходного конца вала, Н быстроходного

7100

3150

тихоход. цилиндр. конец

50000

конец вала в виде части зубчатой полумуфты

63000

Масса, кг

870

Ориентировочный объем масла, л. 45

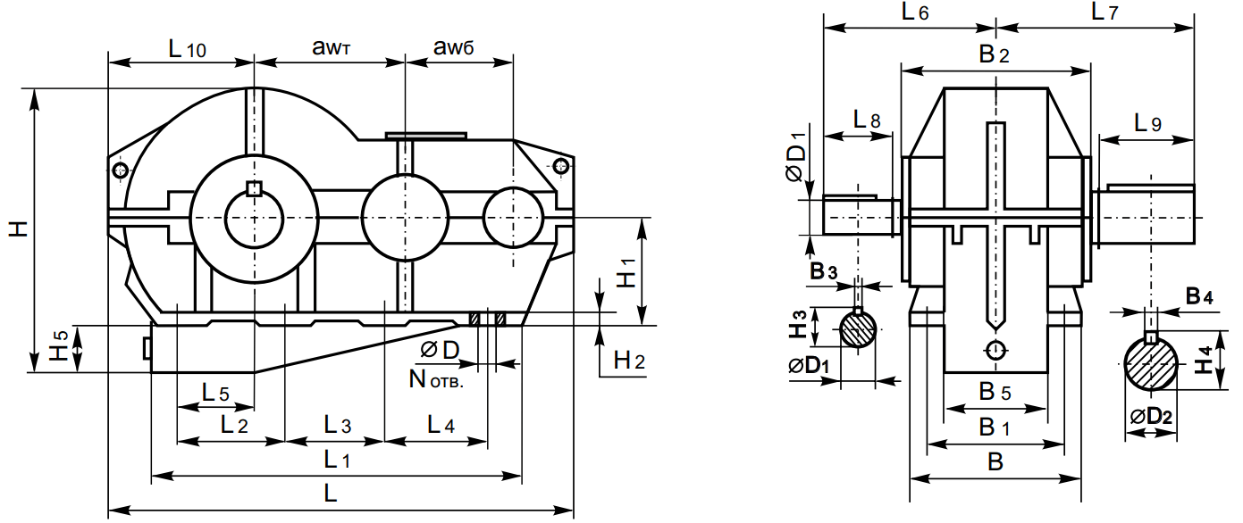
Типоразмер

i

awб

awт

L

L1

L2

L3

L4

L5

L6

L7

L8

L9

L10

Ц2У-315КМ

8 -50

200

315

1030

620

240

240

95

300

420

110

210

360

Ц2У-400КМ

8 -50

250

400

1270

830

215

215

215

155

380

500

140

250

440

 

Типоразмер i oD oD1 oD2 N H H1 H2 H3 H4 H5 B B1 B2 B3 B4 B5
Ц2У-315КМ 8 -50 26 50k6 110m6 6 633 300 35 53,5 116 28 340 290 395 (350)* 14 28 210
Ц2У-400КМ 8 -50 60k6 140m6 8 800 320 64 148 95 420 360 475 (438)* 18 36 290

Размеры конических валов

Типоразмер

i

a1

a2

a3

a4

a5

oa6

oa7

a8

oa9

Ц2У-315КМ

8 -50

110

82

41

12

48,9

45,9

50

300

М36×3

Ц2У-400КМ

8 -50

140

105

52,5

16

58,75

54,75

60

380

М42×3

 

Типоразмер

b1

b2

b3

b4

b5

ob6

ob7

b8

ob9

Ц2У-315КМ

210

165

82,5

25

106,75

101,75

110

420

М80×4

Ц2У-400КМ

250

200

100

32

137

130

140

500

М100×4

 

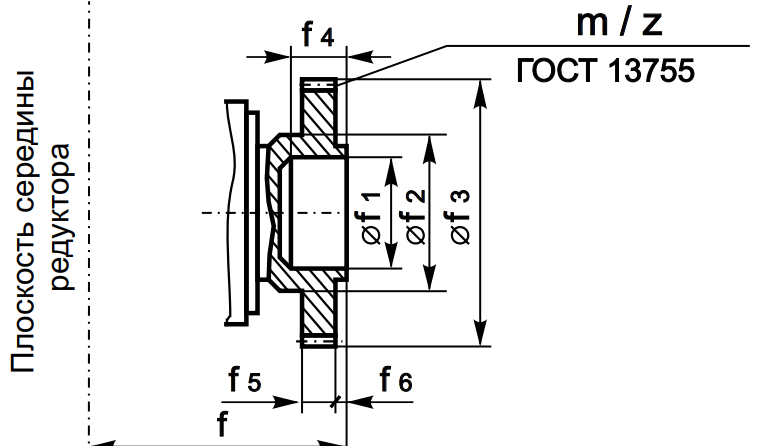
Размеры конца тихоходного вала в виде зубчатой полумуфты

 

Типоразмер

Индекс муфты

m

z

f

of1

of2

of3

f4

f5

f6

Ц2У-315КМ

М

6

40

275*

110 F8

130

252

60

30

10

М1

4

56

270

120 F8

162

232

50

35

15

Ц2У-400КМ

М

8

40

335

150 F8

180

336

65

40

М1

6

56

170 F8

200

348

68

12

 

Размеры конца тихоходного вала в виде зубчатой полумуфты с паразитной шестерней

Типоразмер

Индекс муфты

m

z

m1

z1

z2

f7

f8

f9

f10

of11

Ц2У-315КМ

М

6

40

4

40

60

195

15

200

30

248

М1

4

56

Ц2У-400КМ

М

8

40

М1

6

56

4

69

69

245

15

276

50

284

 

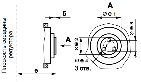
Размеры конца тихоходного вала для присоединения приборов и автоматики

Типоразмер

e

oe1

oe2

oe3

oe4

Ц2У-315КМ

200

110 h10

75 h8

55

M8 – 7H

Ц2У-400КМ

240

140 h10

75 h8

Назад
Выбор города