Ваш город:
Сургут
Ваш город Сургут?
Да Выбрать другой
Заказать звонок
Фильтр

Цилиндрические редукторы Ц2-400МР3, Ц2-400ПМР3, Ц2-500МР3

Описание

Типоразмер

Ц2-400МРЗ

Номинальное передаточное отношение, i

8

10

12,5

16

20

25

31,5

40

50

Номинальный крутящий момент на тихоходном валу, Т, Нxм

Режим работы

Непрерывный (ПВ 100%)

3300

3100

Легкий (ПВ 15%)

10000

14000

16000

Средний (ПВ 25%)

5600

7300

8000

Тяжелый (ПВ 40%)

4000

4600

Номинальная частота вращения быстроходного вала, с-1 (об/мин)

25 (1500)

Номинальная радиальная консольная нагрузка, приложенная в середине посадочной поверхности конца вала, Н

быстроходного

Режим работы

Непрерывный (ПВ 100%)

2200

900

600

Легкий (ПВ 15%)

3500

2600

2200

Средний (ПВ 25%)

2950

2100

1000

Тяжелый (ПВ 40%)

2500

960

тихоходного

Непрерывный (ПВ 100%)

14000

13600

Легкий (ПВ 15%)

25000

29000

31000

Средний (ПВ 25%)

18700

21000

22000

Тяжелый (ПВ 40%)

15800

16900

Масса, кг

385

Ориентировочный объем масла, л. 23
Типоразмер

Ц2-500МРЗ

Номинальное передаточное отношение, i

8

10

12,5

16

20

25

31,5

40

50

Номинальный крутящий момент на тихоходном валу, Т, Нxм

Режим работы

Непрерывный (ПВ 100%)

6000

5500

Легкий (ПВ 15%)

24000

24300

26000

28000

Средний (ПВ 25%)

14000

17500

18000

Тяжелый (ПВ 40%)

8500

9500

Номинальная частота вращения быстроходного вала, с-1 (об/мин)

25 (1500)

Номинальная радиальная консольная нагрузка, приложенная в середине посадочной поверхности конца вала, Н

быстроходного

Режим работы

Непрерывный (ПВ 100%)

3100

2500

2150

1100

900

Легкий (ПВ 15%)

6900

6100

5500

5000

3700

3000

Средний (ПВ 25%)

5200

4700

4200

4000

3000

2500

Тяжелый (ПВ 40%)

4100

3700

3000

2500

2000

1100

тихоходного

Непрерывный (ПВ 100%)

19300

18500

Легкий (ПВ 15%)

38700

40300

41800

Средний (ПВ 25%)

29500

32500

33500

Тяжелый (ПВ 40%)

23000

24350

Масса, кг

615

Ориентировочный объем масла, л. 35

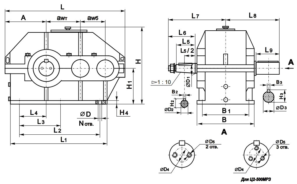
Типоразмер awб awт А L L1 L2 L3 L4 L5 L6 L7 L8 L9 N
Ц2-400МРЗ 150 250 285 805 649 500 250 150 82 110 325 350 130 6
Ц2-400ПМРЗ
Ц2-500МРЗ 200 300 330 965 795 640 320 190 105 140 390 415 165

 

Типоразмер B B1 B2 B3 H H1 H2 H3 H4 oD oD1 oD2 oD3 oD4 oD5
Ц2-400МРЗ 380 320 12 25 540 265 48,9 104 30 32 50 45,9 95m6 50 M12-7H
Ц2-400ПМРЗ
Ц2-500МРЗ 440 360 16 28 645 315 58,75 120 32 38 60 54,75 110m6 80 M12-7H

 

Размеры конического конца тихоходного вала

Типоразмер b1 b2 b3 b4 b5 ob6 ob7 b8 ob9
Ц2-400МРЗ 170 130 65 22 93,5 88,5 95 375 М64×4
Ц2-500МРЗ 210 165 82,5 25 106,75 101,75 110 445 М80×4

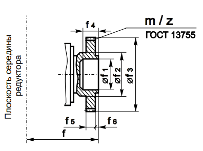
Размеры конца тихоходного вала в виде зубчатой полумуфты

Типоразмер f of1 of2 of3 f4 f5 f6 m z
Ц2-400МРЗ 280 110 130 252 60 30 10 6 40
Ц2-500МРЗ 330 150 180 336 65 40 15 8

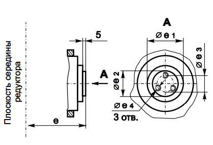
Размеры конца тихоходного вала для присоединения приборов и автоматики

Типоразмер e oe1 oe2 oe3 oe4
Ц2-400МРЗ 205 100 75 55 M8-7H
Ц2-500МРЗ 235 120 75 55 M8-7H

Размеры полого шлицевого тихоходного вала редуктора Ц2-400П МРЗ

Назад
Выбор города