Ваш город:
Сургут
Ваш город Сургут?
Да Выбрать другой
Заказать звонок
Фильтр

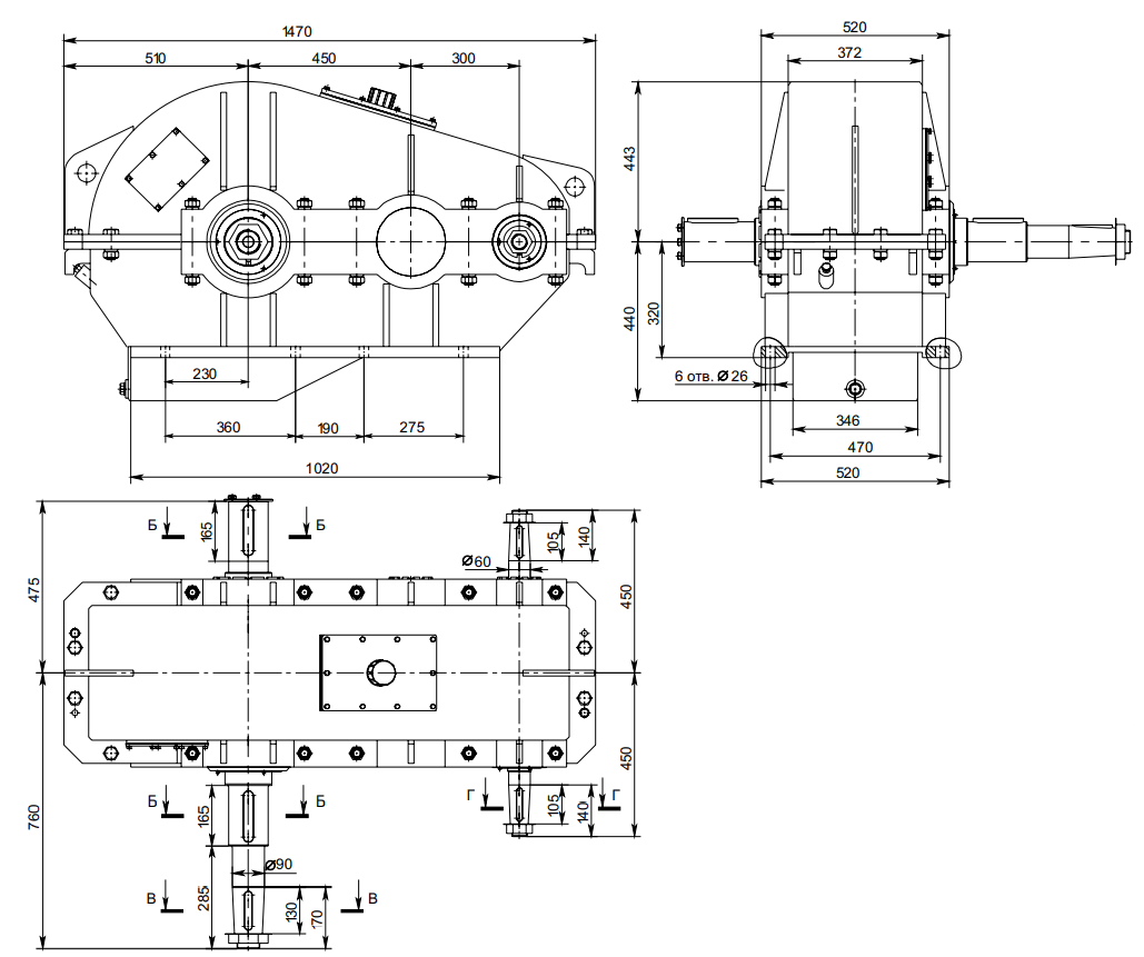
Цилиндрический редуктор ГК-750

Описание

Передаточное отношение, i Номинальная частота вращения быстроходного вала, об/мин Номинальный крутящий момент на тихоходном валу при тяжелом (Т) режиме работы (ПВ 40%), Н?м Масса, кг Ориентировочный объем масла, л.
23,98 570 16000 1385 42

Валы

Варианты сборки

Примерные обозначения при заказе продукции

ГК-750-23,98-33-У1, где:

  • ГК – Тип редуктора;
  • 850 – Межосевое расстояние второй ступени;
  • 23,98 – Номинальное передаточное число;
  • 11 – Вариант сборки;
  • У1 – Климатическое исполнение и категория размещения.
Назад
Выбор города